Product Summary
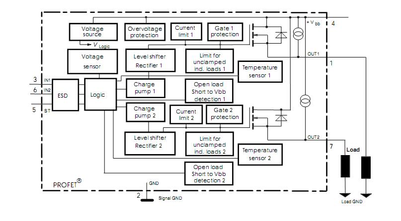
The BTS612N1 is a smart two channel highside power switch. And the BTS612N1 is widely used in: μC compatible power switch with diagnostic feedback for 12 V and 24 V DC grounded loads, All types of resistive, inductive and capacitve loads and Replaces electromechanical relays, fuses and discrete circuits.
Parametrics
BTS612N1 maximum ratings: (1) Supply voltage Vbb: 43V; (2) Supply voltage for full short circuit protection (T =-40 to +150°C) : 34V; (3) Load dump protection Vload dump = Ua + Vs, Ua =13.5 V, VLoad dump: 60V; (4) Load current IL: self-limited; (5) Operating temperature range Tj: -40 to 150°C, Storage temperature range Tstg: -55 to +150°C; (6) Input voltage (DC) VIN: -10 to +6V; (7) Current through input pin (DC)Iin : ±2.0A; (8) Current through status pin (DC) Ist: ±5.0A.
Features
BTS612N1 features: (1) Overload protection; (2) Current limitation; (3) Short circuit protection; (4) Thermal shutdown; (5) Overvoltage protection (including load dump); (5) Fast demagnetization of inductive loads; (6) Reverse battery protection; (7) Undervoltage and overvoltage shutdown with auto-restart and hysteresis; (8) Open drain diagnostic output; (9) Open load detection in OFF-state; (10) CMOS compatible input; (11) Loss of ground and loss of Vbb protection; (12)Electrostatic discharge (ESD) protection.
Diagrams

| Image | Part No | Mfg | Description | ![]() |
Pricing (USD) |
Quantity | ||||||||||||
|---|---|---|---|---|---|---|---|---|---|---|---|---|---|---|---|---|---|---|
![]() |
![]() BTS612N1 |
![]() Other |
![]() |
![]() Data Sheet |
![]() Negotiable |
|
||||||||||||
![]() |
![]() BTS612N1 E3128A |
![]() Infineon Technologies |
![]() Power Switch ICs - POE / LAN PROFET SMART 2 CH Hi Side Pwr SW |
![]() Data Sheet |
![]()
|
|
||||||||||||
(China (Mainland))










