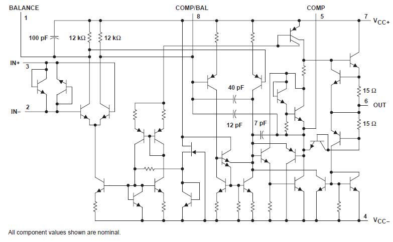
Product Summary
The NE5534AP is a high-performance operational amplifier combining excellent dc and ac characteristics. Some of the features include very low noise, high output-drive capability, high unity-gain and maximum-output-swing bandwidths, low distortion, and high slew rate. The NE5534AP is compensated internally for a gain equal to or greater than three. Optimization of the frequency response for various applications can be obtained by use of an external compensation capacitor between COMP and COMP/BAL.
Parametrics
NE5534AP absolute maximum ratings: (1)Supply voltage: VCC+ (see Note 1): 22 V; (2)VCC: 22 V; (3)Input voltage either input (see Notes 1 and 2): VCC+; (4)Input current (see Note 3): ±10 mA; (5)Duration of output short circuit (see Note 4): Unlimited; (6)Package thermal impedance, θJA (see Notes 5 and 6): D package: 97℃/W; P package: 85℃/W; PS package: 95℃/W; (7)Operating virtual junction temperature, TJ: 150℃; (8)Storage temperature range, Tstg: -65℃ to 150℃.
Features
NE5534AP features: (1)Equivalent Input Noise Voltage: 3.5 nV/√Hz Typ; (2)Unity-Gain Bandwidth: 10 MHz Typ; (3)Common-Mode Rejection Ratio: 100 dB Typ; (4)High DC Voltage Gain: 100 V/mV Typ; (5)Peak-to-Peak Output Voltage Swing 32 V Typ With VCC± = ±18 V and RL = 600Ω; (6)High Slew Rate: 13 V/μs Typ; (7)Wide Supply-Voltage Range ±3 V to ±20 V; (8)Low Harmonic Distortion; (9)Offset Nulling Capability; (10)External Compensation Capability.
Diagrams

| Image | Part No | Mfg | Description | ![]() |
Pricing (USD) |
Quantity | ||||||||||||
|---|---|---|---|---|---|---|---|---|---|---|---|---|---|---|---|---|---|---|
![]() |
![]() NE5534AP |
![]() Texas Instruments |
![]() Operational Amplifiers - Op Amps Low Noise |
![]() Data Sheet |
![]()
|
|
||||||||||||
![]() |
![]() NE5534APE4 |
![]() Texas Instruments |
![]() Operational Amplifiers - Op Amps Low-Noise Oper Amplifier |
![]() Data Sheet |
![]()
|
|
||||||||||||
(China (Mainland))









