Product Summary
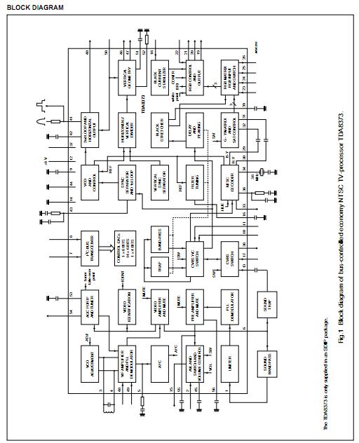
The TDA8374 is an I2C-bus controlled single-chip TV processor which is intended to be applied in PAL/NTSC television receivers. The TDA8374 is available in an SDIP56 package. The device is pin compatible so that with one application board NTSC receivers can be built.
Parametrics
TDA8374 absolute maximum ratings: (1)VP, supply voltage: 9.0V; (2)Tstg, storage temperature: -25 to +150℃; (3)Tamb, operating ambient temperature: 0 to 70℃; (4)Tsld, soldering temperature for 5 s: 260℃; (5)Tj,operating junction temperature: 150℃; (6)Ves, electrostatic handling: -2000 to +2000 V.
Features
TDA8374 features: (1)Vision IF amplifier with high sensitivity and good figures for differential phase and gain; (2)PLL demodulator for the IF signal; (3)Alignment-free sound demodulator; (4)Flexible source selection with a CVBS input for the internal signal and Y/C or CVBS input for the external signal; (5)Audio switch; (6)The output signal of the CVBS (Y/C) switch is externally available; (7)Integrated chrominance trap and band-pass filters (auto-calibrated); (8)Luminance delay line integrated; (9)A symmetrical peaking circuit in the luminance channel; (10)Black stretching of non-standard CVBS or luminance signals; (11)RGB control circuit with black current stabilization and white point adjustment; (12)Linear RGB inputs and fast blanking; (13)Horizontal synchronization with two control loops and alignment-free horizontal oscillator; (14)Slow start and slow stop of the horizontal drive pulses; (15)Vertical count-down circuit; (16)Vertical driver optimized for DC-coupled vertical output stages; (17)I2C-bus control of various functions; (18)Low dissipation; (19)Small amount of peripheral components compared with competition ICs.
Diagrams

(China (Mainland))






