Product Summary
The 20F001N is a low pass filter module that has been specifically designed to implement the functionality of analog interface for 10 Base-T Ethernet application. The 20F001N integrates a number of superior low pass filter to maximize attenuation in the stopband while minimizing insertion loss, return loss and delay distortion in the passband.
Parametrics
20F001N absolute maximum ratings: (1)Turn Ratio(TX): typ=1 : 1; (RX): typ=1 : 1; (2)On the condition of @1-10MHz, Insertion loss: max=-1.0dB; (3)On the condition of @30MHz, Attenuation(TX/RX): min=-32/-20dB; (4)On the condition of @5-10MHz, Return loss(TX/RX): min=-15.0dB; (5)On the condition of @1-10MHz, Cross talk: min=-35.0dB; (6)On the condition of @5-10MHz, CMRR: min=-50.0dB; On the condition of @50MHz, CMRR: min=-40.0dB; (7)Isolation Voltage: typ=1500Vrms.
Features
20F001N features: (1)G stands for RoHS; (2)High attenuation from 7th & 5th order filter used for TX & RX signal respectively; (3)Designed to meet IEEE 802.3 requirement; (4)For MAUs, hubs, and motherboard applicationsOperatiing temperature: 0℃ to +70℃; (5)Popular component , high value , low cost; (6)Storage temperature: -20℃ to +85℃.
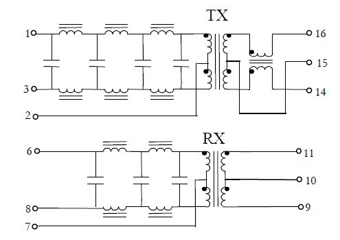
Diagrams

| Image | Part No | Mfg | Description | ![]() |
Pricing (USD) |
Quantity | ||||
|---|---|---|---|---|---|---|---|---|---|---|
![]() |
![]() 20F001N |
![]() Other |
![]() |
![]() Data Sheet |
![]() Negotiable |
|
||||
| Image | Part No | Mfg | Description | ![]() |
Pricing (USD) |
Quantity | ||||
![]() |
![]() 20F001 |
![]() Other |
![]() |
![]() Data Sheet |
![]() Negotiable |
|
||||
![]() |
![]() 20F001N |
![]() Other |
![]() |
![]() Data Sheet |
![]() Negotiable |
|
||||
(China (Mainland))









