Product Summary
The 29F800BA-90PFTN is an 8M-bit, 5.0 V-only Flash memory organized as 1M bytes of 8 bits each or 512K words of 16 bits each.The 29F800BA-90PFTN is offered in a 48-pin TSOP(1) and 44-pin SOP packages. This device is designed to be programmed in-system with the standard system 5.0 V VCC supply. 12.0 V VPP is not required for write or erase operations. The device can also be reprogrammed in standard EPROM programmers. The standard 29F800BA-90PFTN offers access times 55 ns and 90 ns, allowing operation of high-speed microprocessors without wait states. To eliminate bus contention the device has separate chip enable (CE), write enable (WE), and output enable (OE) controls.
Parametrics
29F800BA-90PFTN absolute maximum ratings: (1)Storage Temperature, Tstg: -55 to +125℃; (2)Ambient Temperature with Power Applied, TA: -40 to +85℃; (3)Voltage with Respect to Ground All pins except A9, OE, RESET, VIN, VOUT: –2.0 to +7.0 V; (4)A9, OE, and RESET, VIN: -2.0 to +13.5 V; (5)Power Supply Voltage, VCC: –2.0 to +7.0 V.
Features
29F800BA-90PFTN features: (1)Single 5.0 V read, write, and erase; (2)Compatible with JEDEC-standard commands; (3)Compatible with JEDEC-standard world-wide pinouts; (4)Minimum 100,000 write/erase cycles; (5)High performance: 55 ns maximum access time; (6)Sector erase architecture; (7)Boot Code Sector Architecture; (8)Low Vcc write inhibit 3.2 V; (9)Erase Suspend/Resume; (10)Hardware RESET pin; (11)Sector protection; (12)Temporary sector unprotection.
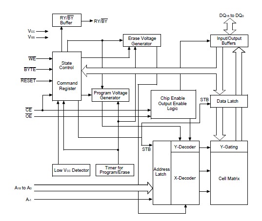
Diagrams

(China (Mainland))






