Product Summary
The 2SK2396A is a field effict transistor.
Parametrics
2SK2396A absolute maximum ratings: (1)Drain-source voltage, VDSS: 100 V; (2)Drain-gate voltage (RGS = 20 kΩ), VDGR: 100 V; (3)Gate-source voltage, VGSS: ±20 V; (4)Drain current, DC (Note 1), ID: 20 A; Pulse (Note 1), IDP: 80 A; (5)Drain power dissipation (Tc = 25℃), PD: 35 W; (6)Single pulse avalanche energy (Note 2), EAS: 208 mJ; (7)Avalanche current, IAR: 20 A; (8)Repetitive avalanche energy (Note 3), EAR: 3.5 mJ; (9)Channel temperature, Tch: 150℃; (10)Storage temperature range, Tstg: -55 to 150℃.
Features
2SK2396A features: (1)4-V gate drive; (2)Low drain.source ON resistance : RDS (ON) = 66 mΩ (typ.); (3)High forward transfer admittance : |Yfs| = 16 S (typ.); (4)Low leakage current : IDSS = 100 μA (max) (VDS = 100 V); (5)Enhancement mode : Vth = 0.8~2.0 V (VDS = 10 V, ID = 1 mA).
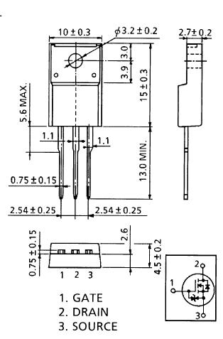
Diagrams

(China (Mainland))






