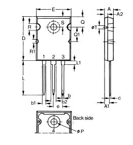
Product Summary
The IXFK34N80 is the HiPerFET power mosfet. The applications of the IXFK34N80 include: DC-DC converters, Battery chargers, Switched-mode and resonant-mode power supplies, DC choppers, AC motor control and Temperature and lighting controls.
Parametrics
IXFK34N80 maximum ratings: (1) Tj=25°C to 150°C, VDSS: 800V; (2) Tj=25°C to 150°C; RGS=1mΩ, BDGR=800V; (3) Continuous VGS=±20V; (4) Transisent VGSM: ±30V; (5) Tc=25°C, ID25: 34A; Tc=25°C, pulse width limited by Tjim, IDM: 136A, Tc=25°C IAR: 36A; (6) TC=25°C. EAR: 64mJ, Tc=25°C, EAS: 3J; (7) Is≤IDM, di/dt≤100A/μS, VDD≤VDS , Tj≤150°C, RG=2Ω, dv/dt: 5V/ns; (8) Tc=25°C, PD: 560W.
Features
IXFK34N80 features: (1) International standard packages; (2) Low RDS (on) HDMOS process; (3) Rugged polysilicon gate cell structure; (4) Unclamped Inductive Switching (UIS) rated; (5) Low package inductance; (6) Fast intrinsic rectifier.
Diagrams

| Image | Part No | Mfg | Description | ![]() |
Pricing (USD) |
Quantity | ||||
|---|---|---|---|---|---|---|---|---|---|---|
![]() |
![]() IXFK34N80 |
![]() Ixys |
![]() MOSFET 800V 34A |
![]() Data Sheet |
![]() Negotiable |
|
||||
| Image | Part No | Mfg | Description | ![]() |
Pricing (USD) |
Quantity | ||||
![]() |
![]() IXFK120N20P |
![]() Ixys |
![]() MOSFET 120 Amps 200V 0.022 Rds |
![]() Data Sheet |
![]() Negotiable |
|
||||
![]() |
![]() IXFK170N20T |
![]() Ixys |
![]() MOSFET 170A 200V |
![]() Data Sheet |
![]() Negotiable |
|
||||
![]() |
![]() IXFK20N120 |
![]() Ixys |
![]() MOSFET 20 Amps 1200 V 0.75 Ohms Rds |
![]() Data Sheet |
![]() Negotiable |
|
||||
![]() |
![]() IXFK180N085 |
![]() Ixys |
![]() MOSFET 180 Amps 85V 0.007 Rds |
![]() Data Sheet |
![]() Negotiable |
|
||||
![]() |
![]() IXFK220N15P |
![]() Ixys |
![]() MOSFET 220Amps 150V |
![]() Data Sheet |
![]() Negotiable |
|
||||
![]() |
![]() IXFK360N10T |
![]() Ixys |
![]() MOSFET TRENCH HIPERFET PWR MOSFET 100V 360A |
![]() Data Sheet |
![]() Negotiable |
|
||||
(China (Mainland))










