Product Summary
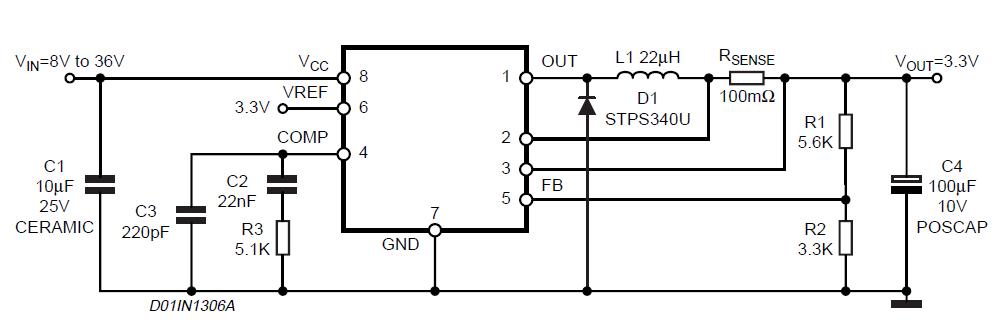
The L6902D is a complete and simple step down switching regulator with adjustable current limit. Based on a voltage mode structure it integrates a current error amplifier to have a constant voltage and constant current control. By means of an on board current sense resistor and the availability of the current sense pins (both compatible to Vcc and for Cs- compatible with GND too) a current limit programming is very simple and accurate (±5%). Moreover constant current control can be used to charge NiMH and NiCd batteries. The applications of the L6902D include chargers for nicd, nimh batteries and preregulator for lithium-ion batteries, adjustable current generator, simple step-down converters with adjustable current limit, battery equipped systems, distributed power supply, mobile pc & subnotebook.
Parametrics
L6902D absolute maximum ratings: (1)V8, Input Voltage: 40 V; (2)V1, Output DC voltageOutput peak voltage at t = 0.1ms: -1 to 40V; -5 to 40V; (3)I1, Maximum output current: Internally limited; (4)V4, V5, Analog pins: 4 V; (5)V2, V3, Analog pins: -0.3V to VCC V; (6)Ptot, Power dissipation at Tamb ≤ 70℃: 0.7 W; (7)Tj, Operating junction temperature range: -40 to 150℃; (8)Tstg, Storage temperature range: -55 to 150℃.
Features
L6902D features: (1)up to 1a output current; (2)operating input voltage from 8v to 36v; (3)precise 3.3v (±2%) reference voltage; (4)5% output current accuracy; (5)output voltage adjustable from 1.235v to 34v; (6)250khz internally fixed frequency; (7)voltage feedforward; (8)zero load current operation; (9)adjustable current limit; (10)protection against feedback disconnection; (11)thermal shutdown.
Diagrams

| Image | Part No | Mfg | Description | ![]() |
Pricing (USD) |
Quantity | ||||||||||||
|---|---|---|---|---|---|---|---|---|---|---|---|---|---|---|---|---|---|---|
![]() |
![]() L6902D013TR |
![]() STMicroelectronics |
![]() Switching Converters, Regulators & Controllers 1.235 to 34V Step-Dn |
![]() Data Sheet |
![]()
|
|
||||||||||||
![]() |
![]() L6902D |
![]() STMicroelectronics |
![]() Switching Converters, Regulators & Controllers 1.235 to 34V Step-Dn |
![]() Data Sheet |
![]()
|
|
||||||||||||
(China (Mainland))









