Product Summary
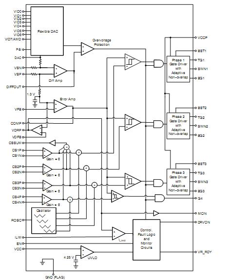
The NCP5395G provides up to a fourphase buck solution which combines differential voltage sensing, differential phase current sensing, adaptive voltage positioning, and on board gate drivers. Dual-edge pulsewidth modulation (PWM) of the NCP5395G combined with inductor current sensing reduces system cost by providing the fastest initial response to dynamic load events. The NCP5395G includes adaptive non overlap and power saving operation.
Parametrics
NCP5395G absolute maximum ratings: (1) Controller Power Supply Voltages to GND VCC: -0.3V, 7V; (2) Driver Power Supply Voltages to GND VCCP: -0.3V, 15V; (3) HighSide Gate Driver Supplies: BSTx to SWNx VBST-VSWN: 35V wrt/GND; (4) Switch Node: SWNx, VSWN: 35V (40V ≤50 ns wrt/GND -5 VDC -10V (200 ns) ; (5) Logic Inputs VLOGIC: -0.3,6V; (6) V- : GND±300mV.
Features
NCP5395G features: (1) Meets AMD 6 Bit Code Specifications; (2) Dualedge PWM for Fastest Initial Response to Transient Loading; (3) High Performance Operational Error Amplifier; (4) Internal Soft Start; (5) Dynamic Reference Injection; (6) DAC Range from 0.5V to 1.6V; (7) PhasetoPhase Current Balancing; (8) This is a PbFree Device.
Diagrams

| Image | Part No | Mfg | Description | ![]() |
Pricing (USD) |
Quantity | ||||||||||||
|---|---|---|---|---|---|---|---|---|---|---|---|---|---|---|---|---|---|---|
![]() |
![]() NCP5395GMNR2G |
![]() ON Semiconductor |
![]() DC/DC Switching Controllers 2/3/4 PH CONTROLLER/ DRIVE |
![]() Data Sheet |
![]()
|
|
||||||||||||
| Image | Part No | Mfg | Description | ![]() |
Pricing (USD) |
Quantity | ||||||||||||
![]() |
![]() NCP500 |
![]() Other |
![]() |
![]() Data Sheet |
![]() Negotiable |
|
||||||||||||
![]() |
![]() NCP500-150 |
![]() Other |
![]() |
![]() Data Sheet |
![]() Negotiable |
|
||||||||||||
![]() |
![]() NCP5005 |
![]() Other |
![]() |
![]() Data Sheet |
![]() Negotiable |
|
||||||||||||
![]() |
![]() NCP5005GEVB |
![]() ON Semiconductor |
![]() Power Management IC Development Tools NCP5005 EVAL BRD |
![]() Data Sheet |
![]()
|
|
||||||||||||
![]() |
![]() NCP5005SNT1G |
![]() ON Semiconductor |
![]() LED Lighting Drivers ANA WHITE LED DRIVER |
![]() Data Sheet |
![]()
|
|
||||||||||||
![]() |
![]() NCP5006 |
![]() Other |
![]() |
![]() Data Sheet |
![]() Negotiable |
|
||||||||||||
(China (Mainland))










