Product Summary
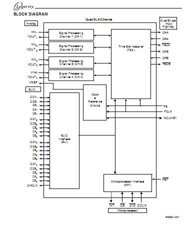
The AM79Q021J quad subscriber line audio-processing circuit (QSLAC) devices integrate the key functions of analog linecards into high-performance, very-programmable, four-channel codec-filter devices. Advanced submicron CMOS technology makes the devices economical, with both the functionality and the low power consumption needed in linecard designs to maximize linecard density at minimum cost. The advanced architecture of theAM79Q021J implements four independent channels and employs digital filters to allow software control of transmission, hus providing a cost-effective solution for the audio-processing function of programmable linecards.
Parametrics
AM79Q021J absolute maximum ratings: (1) Storage Temperature: -60°C<TA<+125°C; (2) Ambient Operating Temperature: -40°C<TA<+85°C; (3) Ambient Relative Humidity: 5% to 95% (non-condensing) ; (4) VCCA with respect to AGND: -0.4V to +7.0V; (5) VCCA with respect to VCCD: ±50mA; (6) VCCD with respect to DGND: -0.4V to +7.0V; (7) VIN with respect to AGND: -0.4V to (VCCA +0.4V) ; (8) AGND with respect to DGND: ±4.0V; (9) Total combined CD1-C5 current per device, Source from VCCD: 40mA, Sink into DGND: 40mA, Sink into DGND: 40mA; (10) Latch-up immunity (any pin) : ±100mA.
Features
AM79Q021J features: (1) Performs the functions of four codec/filters; (2) Standard microprocessor interface; (3) A-law, μ-law, or linear coding; (4)Single or Dual PCM ports available; (5) Low-power, 5.0 V CMOS technology; (6) 5.0 V only operation; (7) Performance characteristics guaranteed over a 12dB gain range; (8) Broadcast state.
Diagrams

(China (Mainland))






