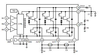
Product Summary
The BA6247FP is a reversible motor driver for output 1.0A or more for two motors drives a brush motor and incorporates one and a half circuits of reversible motor driver. In addition, since the output section can control voltage applied to motors by output high voltage setting pin, the torque at the time of driving motors can be varied. The applications of the BA6247FP include Audio-visual equipment, PC peripherals, Car audios, Car navigation systems, OA equipments.
Parametrics
BA6247FP absolute maximum ratings: (1)Supply voltage, VCC1, VCC2: 20V; (2)Output current, IOMAX: 1A; (3)Control input pins, VIN: -0.2 to 6.0V; (4)Operating temperature, TOPR: -25 to 75℃; (5)Storage temperature, TSTG: -55 to 150℃; (6)Power dissipation, Pd: 1.45W; (7)Junction temperature, Tjmax: 150℃.
Features
BA6247FP features: (1)Built-in one and a half circuits of a reversible motor driver; (2)Minimal external components; (3)Output voltage can be optionally set by reference voltage setting pin; (4)Built-in thermal shutdown circuit.
Diagrams

| Image | Part No | Mfg | Description | ![]() |
Pricing (USD) |
Quantity | ||||||
|---|---|---|---|---|---|---|---|---|---|---|---|---|
![]() |
![]() BA6247FP-Y |
![]() Other |
![]() |
![]() Data Sheet |
![]() Negotiable |
|
||||||
![]() |
![]() BA6247FP-YE2 |
![]() ROHM Semiconductor |
![]() Motor / Motion / Ignition Controllers & Drivers REVERSIBLE MOTOR DRIVER |
![]() Data Sheet |
![]()
|
|
||||||
(China (Mainland))









