Product Summary
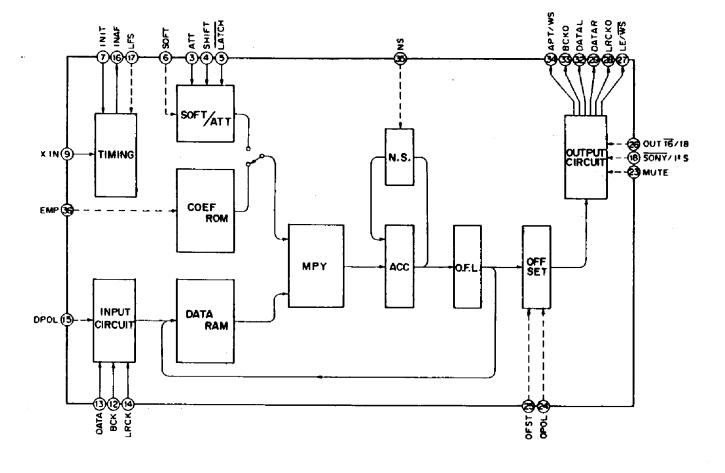
The CXD1244 is a digital filter LSI with 4-times/8-times over sampling rate, developed for compact disc player.
Parametrics
CXD1244 absolute maximum ratings: (1)supply voltage:-0.5V to +6.5V; (2)input voltage:-0.5V to VDD+0.5V; (3)storage temperature:-55 to +150℃; (4)allowable power dissipation:500mW.
Features
CXD1244 features: (1)built-in 4-timers/8-times sampling digital filter for 2 channels; (2)ripple within 0.00001dB; (3)attenuation within -100dB(24.1K); (4)noise shaping, attenuator; (5)soft muting, de-emphasis and a wide variety of built-in functions.
Diagrams

![]() |
![]() CXD1156Q |
![]() Other |
![]() |
![]() Data Sheet |
![]() Negotiable |
|
||||
![]() |
![]() CXD1159AQ |
![]() Other |
![]() |
![]() Data Sheet |
![]() Negotiable |
|
||||
![]() |
![]() CXD1162P |
![]() Other |
![]() |
![]() Data Sheet |
![]() Negotiable |
|
||||
![]() |
![]() CXD1170M |
![]() Other |
![]() |
![]() Data Sheet |
![]() Negotiable |
|
||||
![]() |
![]() CXD1171M |
![]() Other |
![]() |
![]() Data Sheet |
![]() Negotiable |
|
||||
![]() |
![]() CXD1172AM |
![]() Other |
![]() |
![]() Data Sheet |
![]() Negotiable |
|
||||
(China (Mainland))








