Product Summary
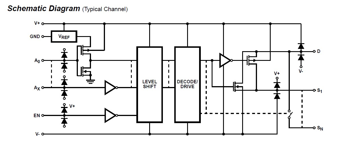
The DG406DYZ is a single 16-channel/differential 8-channel, CMOS analog multiplexer. The DG406DYZ monolithic CMOS analog multiplexer is a drop-in replacements for the popular DG506A and DG507A series devices. They each include an array of sixteen analog switches, a TTL and CMOS compatible digital decode circuit for channel selection, a voltage reference of the DG406DYZ for logic thresholds, and an ENABLE input for device selection when several multiplexers are present.
Parametrics
DG406DYZ absolute maximum ratings: (1)V+ to V-: 44.0V; (2)GND to V-: 25V; (3)Digital Inputs, VS, VD: (V-) -2V to (V+) +2V or 20mA,; (4)Whichever Occurs First Continuous Current (Any Terminal): 30mA; (5)Peak Current, S or D (Pulsed 1ms, 10% Duty Cycle Max): 100mA; (6)Temperature Range: -40℃ to 85℃; (7)Maximum Junction Temperature: 150℃; (8)Maximum Storage Temperature Range: -65℃ to 150℃; (9)Maximum Lead Temperature (Soldering 10s): 300℃.
Features
DG406DYZ features: (1)ON-Resistance (Max) 100 Low Power Consumption (PD) <1.2mW; (2)Fast Transition Time (Max)300ns; (3)Low Charge Injection; (4)TTL, CMOS Compatible; (5)Single or Split Supply Operation; (6)Pb-Free Plus Anneal Available (RoHS Compliant).
Diagrams

| Image | Part No | Mfg | Description | ![]() |
Pricing (USD) |
Quantity | ||||||||||||
|---|---|---|---|---|---|---|---|---|---|---|---|---|---|---|---|---|---|---|
![]() |
![]() DG406DYZ |
![]() Intersil |
![]() Multiplexer Switch ICs MUX 16:1 28SOIC IND |
![]() Data Sheet |
![]()
|
|
||||||||||||
![]() |
![]() DG406DYZ-T |
![]() |
![]() IC MULTIPLEXER 16X1 28SOIC |
![]() Data Sheet |
![]()
|
|
||||||||||||
(China (Mainland))










