Product Summary
The MP1430DN is a MP Series Quartz Crystal offers excellent long-term stability and reliability in a proven resistanceweld metal package. The excellent shock performance makes it suitable for microprocessor, telecommunication, consumer electronic and networking applications.
Parametrics
MP1430DN absolute maximum ratings: (1)Operating Mode: Fundamental or 3rd Overtone; (2)Crystal Cut: AT-Cut; (3)Frequency Range: 1.8 MHz to 48.0 MHz; (4)Frequency Tolerance @ 25℃: ±45 ppm Standard; (5)Frequency Stability Tolerance: ±50 ppm Standard; (6)Operating Temperature Range: -20℃ to +70℃; (7)Storage Temperature Range: -55℃ to +125℃; (8)Equivalent Series Resistance: See ESR Table; (9)Load Capacitance or Resonance Mode: See Standard Part Number Tables; (10)Shunt Capacitance (C0): 7.0 pF Maximum; (11)Drive Level: 100 μW Maximum; (12)Reflow Condition, per JEDEC J-STD-020: +255℃ ±5℃, 10 Seconds Maximum.
Features
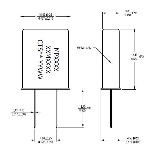
MP1430DN features: (1)Standard HC-49/U Package, HC-49/U SM Package Option Available; (2)Stable Frequency Over Temperature and Drive Level; (3)Fundamental and 3rd Overtone Crystals; (4)Frequency Range 1.8-48 MHz; (5)Frequency Tolerance, ±45 ppm Standard; (6)Frequency Stability, ±50 ppm Standard; (7)Operating Temperature, -20℃ to +70℃; (8)Tape & Reel Packaging Available; (9)RoHS/Green Compliant.
Diagrams

(China (Mainland))






