Product Summary
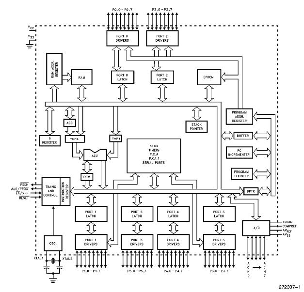
The N87C51GB1 is a single-chip control oriented microcontroller which is fabricated on Intel’s CHMOS III-E technology. The N87C51GB1 is an enhanced version of the 8XC51FA and uses the same powerful instruction set and architecture as existing MCS 51 microcontroller products. Added features make it an even more powerful microcontroller for applications that require On-Chip A/D, Pulse Width Modulation, High Speed I/O, up/down counting capabilities and memory protection features. The N87C51GB1 also has a more versatile serial channel that facilitates multi-processor communications.
Parametrics
N87C51GB1 absolute maximum ratings: (1)Ambient Temperature under Bias: 0℃ to +70℃; (2)Storage Temperature: -65℃ to +150℃; (3)Voltage on EA/VPP Pin to VSS: 0V to +13.0V; (4) IOL per I/O Pin: 15mA; (5) Voltage on Any Other Pin to VSS: -0.5V to +6.5V; (6)Power Dissipation: 1.5W.
Features
N87C51GB1 features: (1)8 Kbytes On-Chip ROM/OTP ROM; (2)256 Bytes of On-Chip Data RAM; (3)Two Programmable Counter Arrays with: 2 x 5 High Speed Input/Output Channels Compare/Capture, Pulse Width Modulators, Watchdog Timer Capabilities; (4)Three 16-Bit Timer/Counters with Four Programmable Modes, Capture, Baud Rate Generation (Timer 2); (5)Dedicated Watchdog Timer; (6)8-Bit, 8-Channel A/D with: Eight 8-Bit Result Registers, Four Programmable Modes; (7)Programmable Serial Channel with: Framing Error Detection, Automatic Address Recognition; (8)Serial Expansion Port; (9)Programmable Clock Out; (10)Extended Temperature Range: (-40℃ to +85℃); (11)48 Programmable I/O Lines with 40 Schmitt Trigger Inputs; (12)15 Interrupt Sources with: 7 External, 8 Internal Sources, 4 Programmable Priority Levels; (13)Pre-Determined Port States on Reset; (14)High Performance CHMOS Process; (15)TTL and CHMOS Compatible Logic Levels; (16)Power Saving Modes; (17)64K External Data Memory Space; (18)64K External Program Memory Space; (19)Three Level Program Lock System; (20)ONCE (ON-Circuit Emulation) Mode; (21)Quick Pulse Programming Algorithm; (22)MCS 51 Microcontroller Fully Compatible Instruction Set Boolean Processor; (23)Oscillator Fail Detect; (24)Available in 68-Pin PLCC.
Diagrams

(China (Mainland))






