Product Summary
FSAB20PH60 is an advanced smart power module of PSC(Partial Switching Converter) that Fairchild has newly developed and designed mainly targeting low-power application especially for an air conditioners. The FSAB20PH60 combines optimized circuit protection and drive IC matched to IGBTsand drive IC matched to IGBTs. Applications of the FSAB20PH60 include: AC 187V ~ 276V single-phase partial-switching converter of air-conditioner.
Parametrics
FSAB20PH60 absolute maximum ratings: (1) Input Supply Voltage Vi, Applied between R-S Vi: 276V; (2) Input Supply Voltage (Surge) , Applied between R-S Vi(Surge) : 500V; (3) Output Voltage, Applied between P-N : 400V; (4) Collector-emitter Voltage ICBT: 600V; (5) Repetitive Peak Reverse Voltage: 600V; (6) Input Current (130% Load) : 11ARMS; (7) Operating Junction Temperature: -20 to 125°C.
Features
FSAB20PH60 features: (1) Very low thermal resistance due to using DBC; (2) 600V-20A single-phase rectifier bridge diode including two IGBTs for partial switching converter; (3) Integrated IC for gate driving and protection ; (4) Divided negative dc-link terminals for current sensing; (5) Isolation rating of 2500Vrms/min.
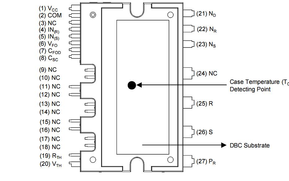
Diagrams

| Image | Part No | Mfg | Description | ![]() |
Pricing (USD) |
Quantity | ||||
|---|---|---|---|---|---|---|---|---|---|---|
![]() |
![]() FSAB20PH60 |
![]() Fairchild Semiconductor |
![]() Motor / Motion / Ignition Controllers & Drivers HIGH_VOLTAGE |
![]() Data Sheet |
![]() Negotiable |
|
||||
| Image | Part No | Mfg | Description | ![]() |
Pricing (USD) |
Quantity | ||||
![]() |
![]() FSAB20PH60 |
![]() Fairchild Semiconductor |
![]() Motor / Motion / Ignition Controllers & Drivers HIGH_VOLTAGE |
![]() Data Sheet |
![]() Negotiable |
|
||||
(China (Mainland))









