Product Summary
The KBU8K is a single-phase bridge rectifier.
Parametrics
KBU8K absolute maximum ratings: (1)Maximum repetitive peak reverse voltage: 800 Volts; (2)Maximum RMS voltage: 560 Volts; (3)Maximum DC blocking voltage: 800 Volts; (4)Maximum average forward rectified TC=100℃: 8.0 Amps, output current at TA=45℃: 6.0 Amps; (5)Peak forward surge current single half sine-wave superimposed on rated load (JEDEC Method) TJ=150℃: 300.0 Amps; (6)Maximum instantaneous forward voltage drop per leg at 8.0A: 1.0 Volts; (7)Maximum DC reverse current at rated TA=25℃: 10.0 mA, DC blocking voltage per leg TA=125℃: 1.0 mA; (8)Operating junction and storage temperature range: -50 to +150 ℃.
Features
KBU8K features: (1)Plastic material used carries Underwriters Laboratory Flammability Classification 94V-0; (2)This series is UL listed under Recognized Component Index, file number E54214; (3)Ideal for printed circuit boards; (4)High forward surge current capability; (5)High temperature soldering guaranteed: 250℃/10 seconds, 0.375" (9.5mm) lead length, 5lbs. (2.3 kg) tension.
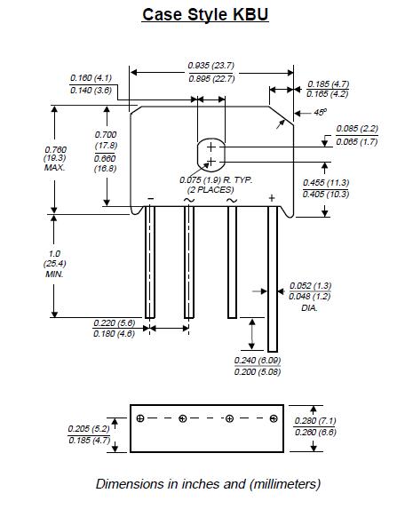
Diagrams

| Image | Part No | Mfg | Description | ![]() |
Pricing (USD) |
Quantity | ||||||||||||
|---|---|---|---|---|---|---|---|---|---|---|---|---|---|---|---|---|---|---|
![]() |
![]() KBU8K_Q |
![]() Fairchild Semiconductor |
![]() Bridge Rectifiers 8A Bridge Rectifier |
![]() Data Sheet |
![]() Negotiable |
|
||||||||||||
![]() |
![]() KBU8K-E4/51 |
![]() Vishay Semiconductors |
![]() Bridge Rectifiers 8.0 Amp 800 Volt |
![]() Data Sheet |
![]()
|
|
||||||||||||
![]() |
![]() KBU8K |
![]() GeneSiC Semiconductor |
![]() Bridge Rectifiers 800V 8A Bridge Rectifier |
![]() Data Sheet |
![]()
|
|
||||||||||||
(China (Mainland))










