Product Summary
The SE1059LMHL-NT is an Error Amplifier IC.
Parametrics
SE1059LMHL-NT absolute maximum ratings: (1)Collector-Ground Voltage, VCGO: 150V; (2)Collector Current,IC: 20mA; (3)Operating temperature, TOP: -20 to 125℃.
Features
SE1059LMHL-NT feature: Output Detection Voltage, Ta=25℃, VS: 105.2±0.8 V.
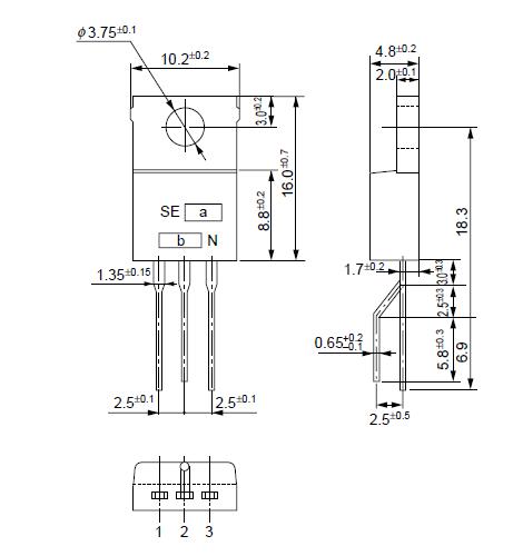
Diagrams

(China (Mainland))






