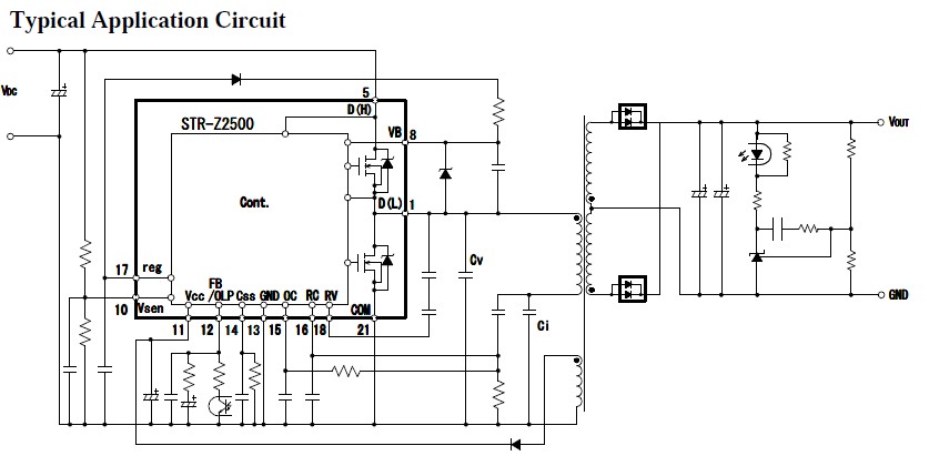
Product Summary
The STR-Z2589 is a power IC for current resonant type switching power supplies, incorporating a controller IC including high-side and low-side MOSFETs of half-bridge type resonance and a floating-drive circuit. The STR-Z2589 achieves high efficiency and low noise power supply systems by the ZVS and ZCS. The product is recommended for high-efficiency small and standardized power supplies because of easy circuit designs with few external components. The STR-Z2589 can be used as switching power supply for Digital Consumer Equipment; LCD-TVs, PDP-TVs, etc; OA Equipment; Severs, Multi-Function Printers, etc; Industry Machines, Communication Devices, Others.
Parametrics
STR-Z2589 parameters: (1)MOSFET VDSSMIN: 500 V; (2)RDS(ON) MAX: 0.30 Ω.
Features
STR-Z2589 features: (1)Soft-Switched Multi-Resonant Zero Current Switch (SMZ): The zero-current switching (ZSC) and zero-voltage switching (ZVS) of half-bridge type resonance achieve the high efficiency and low noise systems; (2)24-pin SIP Package with Al-Fin (Sanken designation: SLA-24): The product incorporates two power MOSFETs and a controller IC, and achieves small and highly integrated systems by few external components and smaller area size; (3)Built-in Startup Circuit; (4)Automatic Dead Time Adjustment Function for Wide Resonant Conditions; (5)Burst-Oscillation Function: The function enables the stable output control at no load to light load conditions and improves the efficiency; (6)Soft-Start Function; (7)Brown-In / Brown-Out Function: The function enables the oscillation start/stop by externally rated input voltage and makes protections at low input voltage; (8)External Latch Protection (ELP): The function enables the latch shutdown by external signal; (9)Built-in Avalanche Energy Guaranteed High-Voltage Power MOSFET.
Diagrams

(China (Mainland))






