Product Summary
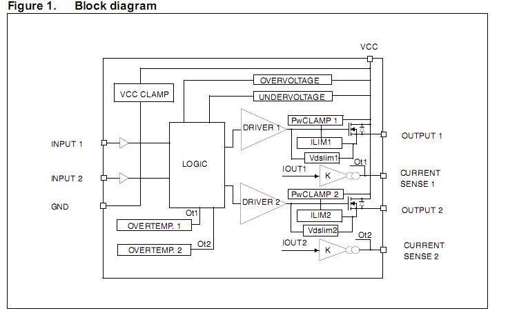
The VND600SP is a double channel high side solid state relay made using STMicroelectronics VIPower M0-3 technology. It is intended for driving resistive or inductive loads with one side connected to ground. The VND600SP has two channels in high-side configuration; each channel has an analog sense output on which the sensing current is proportional (according to a known ratio) to the corresponding load current.
Parametrics
VND600SP absolute maximum ratings: (1)DC supply voltage: 41 V; (2)Reverse supply voltage: -0.3 V; (3)DC reverse ground pin current: -200 mA; (4)Output current: Internally limited; (5)Reverse output current: -21 A; (6)Input current: ±10 mA; (7)Current sense maximum voltage: -3V to +15V.
Features
VND600SP features: (1)Automotive Grade: compliance with AEC Guidelines; (2)Very low standby current; (3)CMOS compatible input; (4)Proportional load current sense; (5)Current sense disable; (6)Thermal shutdown protection and diagnosis; (7)Undervoltage shutdown; (8)Overvoltage clamp; (9)Load current limitation.
Diagrams

| Image | Part No | Mfg | Description | ![]() |
Pricing (USD) |
Quantity | ||||||||||||
|---|---|---|---|---|---|---|---|---|---|---|---|---|---|---|---|---|---|---|
![]() |
![]() VND600SP |
![]() STMicroelectronics |
![]() Solid State Relays 36V 25A Hi-Side SSR |
![]() Data Sheet |
![]()
|
|
||||||||||||
![]() |
![]() VND600SP13TR |
![]() STMicroelectronics |
![]() Solid State Relays 36V 25A Hi-Side SSR |
![]() Data Sheet |
![]()
|
|
||||||||||||
![]() |
![]() VND600SP-E |
![]() STMicroelectronics |
![]() Power Driver ICs 36V 25A Hi-Side SSR |
![]() Data Sheet |
![]()
|
|
||||||||||||
![]() |
![]() VND600SPTR-E |
![]() STMicroelectronics |
![]() Power Switch ICs - Power Distribution 36V 25A Hi-Side SSR |
![]() Data Sheet |
![]()
|
|
||||||||||||
(China (Mainland))









