Product Summary
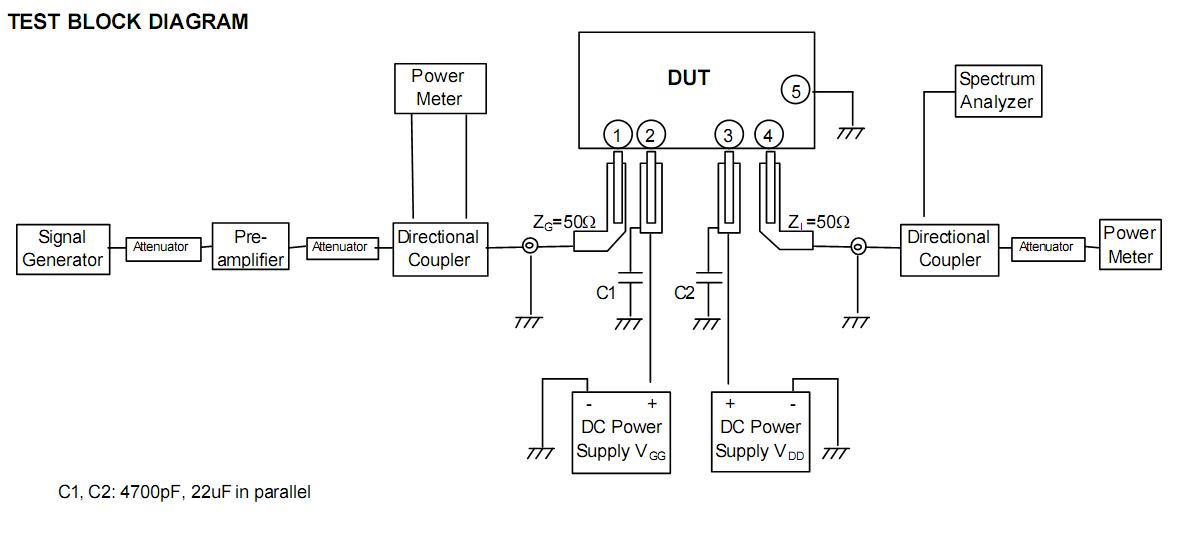
The RA30H4047M is a 30-watt RF MOSFET Amplifier Module for 12.5-volt mobile radios that operate in the 400- to 470-MHz range. The output power and drain current of the RA30H4047M increase as the gate voltage increases. The RA30H4047M is designed for non-linear FM modulation, but may also be used for linear modulation by setting the drain quiescent current with the gate voltage and controlling the output power withthe input power.
Parametrics
RA30H4047M maximum ratings: (1) Drain Voltage VDD: 17V (VGG<5V) ; (2) Gate Voltage VGG: 6V (VDD<12.5V, Pin=0mW; (3) Input Power Pin : 100mW (f=400-470MHZ), Output Power Pout: 45W (ZG=ZL=50Ω) ; (4) Operation Case Temperature Range Tcase (OP) : -30 to +110°C; (5) Storage Temperature Range Tstg: -40 to +110°C.
Features
RA30H4047M features: (1) Enhancemen- Mode MOSFET Transistors; (2) Broadband Frequency Range: 400-470MHz; (3) Low-Power Control Current IGG=1mA (typ) at VG =5V; (4) Module Size: 66 x 21 x 9.88 mm; (5) Linear operation is possible by setting the quiescent drain current with the gate voltage and controlling the output power with the input power.
Diagrams

| Image | Part No | Mfg | Description | ![]() |
Pricing (USD) |
Quantity | ||||
|---|---|---|---|---|---|---|---|---|---|---|
![]() |
![]() RA30H4047M |
![]() Other |
![]() |
![]() Data Sheet |
![]() Negotiable |
|
||||
![]() |
![]() RA30H4047M1 |
![]() Other |
![]() |
![]() Data Sheet |
![]() Negotiable |
|
||||
(China (Mainland))









