Product Summary
The ST1-DC12V is a drivable PC board relay for field load switching. The ST1-DC12V has following features: Sealed to meet the combination process of automatic wave soldering and cleaning needs, Latching types available, High switching capacity and high sensitivity in subminiature size.
Parametrics
ST1-DC12V absolute maximum ratings: (1) Set and reset voltage VDC (max) : 12V; (2) Maximum allowable voltage VDC (60°C); (3) Coil resistance Ω (±10%) ; (4) Norminal operating current, mA: 18.8mA.
Features
ST1-DC12V features: (1) Sealed to meet the combination process of automatic wave soldering and cleaning needs; (2)Latching types available; (3) High switching capacity and high sensitivity in subminiature size; (4) 51 A for 1a1b, 35 A for 2a; (5) High shock and vibration resistance Shock: 20 G, Vibration: 10 to 55 Hz at double amplitude of 2mm.
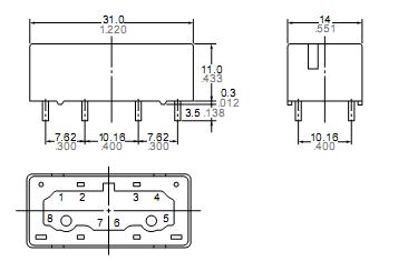
Diagrams

| Image | Part No | Mfg | Description | ![]() |
Pricing (USD) |
Quantity | ||||||||||||
|---|---|---|---|---|---|---|---|---|---|---|---|---|---|---|---|---|---|---|
![]() |
![]() ST1-DC12V |
![]() Panasonic Electric Works |
![]() General Purpose / Industrial Relays 8A 12VDC 1FORMA 1FORMB PCB |
![]() Data Sheet |
![]() Negotiable |
|
||||||||||||
![]() |
![]() ST1-DC12V-F |
![]() Panasonic Electric Works |
![]() General Purpose / Industrial Relays 8A 12VDC 1FORMA/1FORMB PCB |
![]() Data Sheet |
![]()
|
|
||||||||||||
(China (Mainland))









